HOMEパーツ流用掲示板検索
ミニカーに流用できるいろいろなパーツをお知らせください。

パーツ流用の掲示板です。
名前
題名

内容
画像1
画像2
画像3
画像4
修正キー (英数8文字以内)

 ポン付マルチリフレクターヘッドライト  RIO  2014年9月1日(月) 9:51
修正
MC-1、Kー1、K-2に使えるポン付マルチリフレクターヘッドライトの情報です
(K-3、K-4はサイズ的に同じかどうか知りません)

夏前に偶然に見つけてK-2に装着しました
車種は「スズキ-レッツ4パレット」です
スズキのスクーターなので他車種にも使っているのかとスズキ車をみましたが他には見当たりませんでした
因みにチョイノリなんかのヘッドライトはMCシリーズと互換性があると思います
普通のレンズカットなので交換する意味は無いでしょうが・・・・

問題点はパレットのデザイン性から可愛らしい出目金仕様になっています
好みの分かれるところかと思いますが前後に長いK−2には似合っていると私は思います
またレンズ(レンズカットが無いのでレンズカバーか?)からバルブまで通常よりも距離が有りますのでHIDを検討されている方は熱対策にもなるかも知れません
保証しませんけどね、私はHIDは面倒なのでパスです(*^_^*)

   奈良の大ちゃん  2014年9月1日(月) 9:52 修正
バルブの種類は何になりますか?

   RIO  2014年9月1日(月) 9:52 修正
MCのがそのまま使えますので「PH7」ですね
多分ミツオカがもともとスズキの何かのスクーター用を使っているんじゃないでしょうか?
大元の車種は解りませんがチョイノリのヘッドライトは画像で見る限りMCのもとソックリです

   YAT  2014年9月1日(月) 9:53 修正
レッツ4パレットがビンゴでしたか!。

私も以前MC-1のマルチリフレクター化で流用車種を探していた所、レッツ4が合いそうだなぁ〜と目ぼしを付けていたんですが、当時まだ出始め頃だったのでオークションに無かった為、諦めていました。

デメキンもMC-1系には良いんじゃないでしょうかネ。

ちなみにK-3はホンダのAF-54ジョルノクレアのがそのまんま付きそうなのですが何方か試された方は居るんかなぁ。確かバルブ形状がハロゲン専用だったのでPH7のバルブ&コネクターは使えなかったはず。おそらくミツオカはそれを嫌ってか中味だけ汎用のリフレクターにしたんだろうなぁ。

 チョイノリのライトはK-4にぴったり(^^)v  照ちゃん  2014年10月24日(金) 23:41 修正
再生された皆様のパーツ流用掲示板ですが大変役にたちました。
有難うございました。
私のK-4のヘッドランプはよく見たら両方の上部が熱で溶けてて反射する側が
くすんでいたので 大ちゃんさんのマーケットのハゲタカ販売で落札しよう
としましたが撃沈でした。(ToT) そこでこのパーツ流用を思い出し チョイノリ
のヘッドライトの中古を購入しましたが、K-4と同じでドンピシャでした。
(チョイノリはライト上下切り替えはありませんが)

   RIO  2014年10月27日(月) 18:17 修正
K−4にチョイノリのヘッドライトが使えるって事は出目金のパレットマルチリフレクターも使えますね
K−3にも使えるかな?、K−3だけサイズが違うって事も無いでしょう(笑

 K−3は?  照ちゃん  2014年10月28日(火) 20:20 修正
RIOさん こんにちは(^^)
私が思うに「K−3」「K−4リミティド」は似たようなヘッドライトで
メッキの仕上げで高級感が有り少し小型な気がします。
私の普通のK−4のライトはカバーもプラスチック?でとても軽いです。
少し違うような気がします。

パレットの出目金も考えましたが中古でチョイノリより1.5倍したのと
出目だけに傷が多いのもありチョイノリにしました。カットもメーカーも
全く同じです。

 K−4のヘッドライト  九州の照ちゃん  2015年9月6日(日) 6:20 修正
その後ですが、RIOさんのお陰でレッツ4パレットの出目金マルチリフレクターが使えるとのことで中古で2個購入し、夜もかなり明るく走れるようになりました。
 調べているうちにK−4のヘッドライトの黒い本体はチョイノリSSのヘッドライトと瓜二つだとわかりました。(写真で見る限り)
 今度中古を購入して実証したいと思います。

 <MC1 ホンダ部品互換表>  FJ  2015年2月14日(土) 22:41
修正
※全部取付確認できている訳ではありません。恐らく、互換性がある筈ですが、自己責任にて使ってください。価格は2015年2月13日現在(税抜)

※ミツオカ品番は「光岡自動車 マイクロカー」
https://www.mitsuoka-motor.com/lineup/history/microcar/
にてパーツリストを確認してください。
※使ってみて、取りつかない、不具合があれば情報を記載ください!

@部品名 Aミツオカ品番 Bホンダ品番 C価格(税抜) D備考

1.@ピストン A14312-MC1-00 B13101-GW2-505 C2,990 DAF27/28・NH50M
2.@ピストンピン A14321-MC1-00 B13111-GZ0-000・13111-166-000 C490 DAF27/28・NH50M
3.@リングセット A14330-MC1-00 B13010-GW0-306 C2,070 DAF27/28・NH50MJ/N/P
4.@ピンクリップ A14341-MC1-00 B13115-156-000 C125 DAF27/28・NH50MJ/N/P
5.@コンロッドスモールベアリング A95101-MC1-00 B91102-GW0-008・91102-GC8-004 C500・630 DAF27/28・NH50M

6.@シリンダーヘッドガスケット A11191-MC1-00 B12251-GW0-000 C360 DAF27/28・NH50M
 (φ49ピストン用ヘッドガスケット B12251-GZ4-670 C440 )
7.@シリンダーガスケット A12191-MC1-00 B12191-GAH-A00・12191-GW0-000 C290 DAF27/28・NH50MP/J/N
8. @クランクベアリング A95111-MC1-00 B96100-62043-00 C450 DMB-5
9.@ボルトM6×L95 A95001-06095 B90001-GA7-000 C190 DAF27/28
10.@スタッドボルト A95005-06028 B92700-06028-1B(6×28) C40 DAF27/28

11.@オイルシール(15×25.5×7) A93001-MC1-00 B91201-GW2-000 C290 DAF27/28
12.@オイルシール(20×31×7) A93002-MC1-00 B91201-KBN-922・91202-GA7-005 C450 DNH50M
13.@ボルトフランジ(M6×80) A95001-06080 B96001-06080-00 C60 DAF27/28
14.@ボルトフランジ(M6×45) A695002-06045 B96001-06045-00 C55 DAF27/28
15.@ベアリング6203 A95202-MC1-00 B91028-GS7-900 C800 DAF27/28

16.@リードバルブCOMP A15110-MC1-00 B14100-GAH-000 C1,820 DAF27/28
17.@インレットパイプガスケットA A17211-MC1-00 B17112-GAH-A00 C245 DAF27/28
18.@インレットパイプガスケットB A17212-MC1-00 B17111-GAH-A00 C245 DAF27/28
19.@オイルポンプOリング A設定なし B91301-147-023 C165 DAF27/28
20.@スライドピース A27232-MC1-00 B22132-GW0-000 C175 DAF27/28

21.@スライドピース3個入 A27232-MC1-00 B22011-GW0-000 C480 DAF27/28
22.@スチールボール1/4 A95911-MC1-00 B96211-08000 C15 Dホンダ
23.@ベアリング(6202) A95201-MC1-00 B96100-6202-000 C330 Dホンダ
24.@ベアリング(6303) A95203-MC1-00 B96100-6303-000 C470 Dホンダ
25.@ベアリング(6005) A95204-MC1-00 B96100-6005-000 C490 Dホンダ

26.@ベアリング(6203) A95202-MC1-00 B96100-6203-000 C410 Dホンダ
27.@ベアリング(6301LU/2A) A95502-MC1-00 B96150-6301-010 C600 Dホンダ6301UU
28.@フロントドラムベアリング A95501-MC1-00 B96150-6203-010 C610 Dホンダ6203UU
29.@オイルシール20×35×8 A93004-MC1-00 B91266-415-003 C460 Dホンダ
30.@オイルシール10×20×5 A93005-MC1-00 B91202-HC0-003 C235 Dホンダ

31.@オイルシール17×30×7 A93003-MC1-00 Bスズキ09283-17025 C190 Dスズキ
32.@ランププレート A27231-MC1-00 B22131-GS7-000・22131-GAH-720/780・22131-GR1-750・22131-GAH-780 C1,180〜1,260 DAF27/28・NH50M
33.@ドライブフェースボス A27121-MC1-00 B22105-GR1-000・22105-GAH-720/780・22105-GR1-750 C880〜950 DAF27/28・NH50MJ〜P
34.@ドライブフェース A27111-MC1-00 B22102-GW2-000 C2,170 DNH50MJ/N用
35.@ドライブベルト A27101-MC1-00 B23100-GW2-013 C2,740 DNH50・(NTB HV18-700)

36.@フューエルストレーナー A53311-MC1-00 B16910-GN5-911・16910-GAH-690 C770・740 DAF27/28
37.@イグニッションコイル A33330-MC1-00 B30510-GF9-405 C4,540 DAF34/35
38.@プラグキャップ A設定なし B30700-GM6-010 C1,150 DAF27/28
39.@クラッチアウター A23110-MC1-00 B22100-GW2-710 C3,740 DSRX50T(ジョーカー)
40.@ドリブンフェーススプリング A27341-MC1-00 B23233-GM0-000 C970 DNH50MJ/N

41.@セルモーターASSY A33410-MC1-000 B31210-GR1-014 C15,200  DジャイロX

 有難う御座います。  九州の照ちゃん  2015年3月12日(木) 20:20 修正
FJさん大変助かります。
ありがとうございます。
自己責任で使わせて頂きます。m(_)m

 クラッチアウター  九州の照ちゃん  2015年5月24日(日) 5:45 修正
     FJさん おはよう御座います。      ↑この時間すごいでしょ
(早起きで〜す)昨日は20:30に寝ました!
この私、照ちゃん素人がヒヤリしました。「39.@クラッチアウター」を装着
しようとしたらシャフトになかなか入りません。一瞬ヒヤリとしましたが、直ぐに「新しい部品はこんなもんだ」と軽くプラハンマーで入れてボルトを締めこむとキッチリ入りました。私みたいな おバカさんにならないように!の書込みでした。・・・私ぐらいですね(ToT)
このクラッチアウターを買ったのは 今まで使ってたアウターを軽くしようと思い、周囲の薄い鉄板を外しましたが、3ヶ月くらいでスタート時に ガガガっとジャダー(と言うのですか?)が出たので取替えの為の購入でした。
(この外周の薄い鉄板は取ったら駄目なんですかね〜?それともアウターの寿命ですかねぇ?15,000km使った物ですが。)

 そういえば・・・  FJ  2015年5月25日(月) 0:17 修正
私も、軽量化の為に回りの鉄板を取ってしまいました。 確かに、しばらくしてからクラッチが繋がる時に、ガッガッガッって繋がっていた気がします。 私はあまり気にならなかったけど・・・ さかやんさんは、何台も持っているから、気が付いたかナ〜

 クラッチアウター  九州の照ちゃん  2015年8月1日(土) 6:05 修正
いまさらですが、発進時のガガガ音はSJが濃くてかぶり気味だったからではないかな?と思っております。SJを落としたら外周の薄い鉄板の無い物でもガガガは無くなりました・・・アハハ。

 ホンダ ウエイトローラー代替品  FJ  2015年5月8日(金) 1:34
修正
価格は2015年2月現在(税抜)です。

@1個の重さ Aホンダ品番 B6個の価格(税抜)

1.@6.0g A22123-GBY-830 B1,050

2.@6.5g A22123-GET-000・22123-GFC-900 B1,050・860

3.@7.5g A22123-GT8-600 B1,000

4. @8.5g A22123-GZ0-000 B1,100

5. @9.0g A22123-GBC-305・22123-GG2-750 B1,290・1170

6. @10.0g A22121-GR1-010・22121-GZ5-003・22123-GZ5-000 B1,290・1,350・1,180

7. @11.0g A22123-GT8-770・22123-GCC-B50 B1,110・1,000

8. @13.0g A22123-GT8-860・22123-187-305・22121-187-010 B1,050・1,420・1,380

 有難うございます。  九州の照ちゃん  2015年5月9日(土) 7:13 修正
おかげさまで、前回の<MC1 ホンダ部品互換表>で数種の純正部品を購入させてもらいました。m(_)m

ホンダ純正のWRも耐久性があると聞いていたので助かります。

早起き照ちゃんは今 豆腐の配達が終わりまし・・・・・・?
ちゃうちゃう! ただの加齢で早起きなおじさんです。
寝るのも早いのよ〜ん。 (^^) 

 お役に立てて幸いです!  FJ  2015年5月9日(土) 23:17 修正
九州の照ちゃんさん
お役に立てて、良かったです! もし取りつかない、不具合などありましたら、情報を記し、精度を高めていきましょう!

 トゥデイ JA4 コンビネーションスイッチ8年式   kazun141  2014年9月1日(月) 9:50
修正
JA4のコンビネーションS/W ディマーS/Wになります
コンビネーションスイッチのそれぞれのソケットの端子の電通について調べてみました。

青のアルファベットのソッケットはライト系
赤のアルファベットのソケットは方向指示器に使うソケット
オレンジはパサード系
グリーンはフロントワイパー系
ピンクはリアのワイパー系

スイッチを入れない状態 
レッド ソケット 導通なし
ブルー ソケット 導通なし 但しgと表側のホーン端子を繋ぐと導通有り
オレンジソケット c〜g電通有り
グリーンソケット b〜g電通有り
ピンク ソケット c〜d電通有り

スイッチを入れた状態
レッド ソケット
 ウインカーレバー上 b〜c 電通有り
         ウインカーレバー下 a〜b 電通有り  
ブルー ソケット 
ライトロービーム
スモールライト点灯スイッチオン a〜b 電通有り 
         メインライト点灯スイッチオン  a〜b.c〜f 電通有り
ライトハイビーム
スモールライト点灯スイッチオン a〜b 電通有り
         メインライト点灯スイッチオン  a〜b.e〜f 電通有り
         パッシングレバーオン中
         メインライト点灯スイッチオン中のみ a〜b.c〜f.e〜f 電通有り 
オレンジソケット(パサードのスイッチ)
         オフ状態  c〜g電通有り
         オン状態  a〜b.a〜e.a〜f.b〜f.c〜d.c〜d.e〜f 電通有り
グリーンソケット  
         INT状態  b〜g.d〜e 電通有り
          LO状態   c〜g 電通有り
          HI状態   c〜f 電通有り
左レバーを手前に倒すとa〜d 電通有り
ピンク ソケット 
         オフ状態  c〜d 電通有り
オン状態 c〜 e  電通有り
左レバー 内側のスイッチはオンオフ意外にもその上と下にウオッシャーと
         思われるスイッチが付いている
         そこにツイッチを入れると上も下もa〜bに電通有り

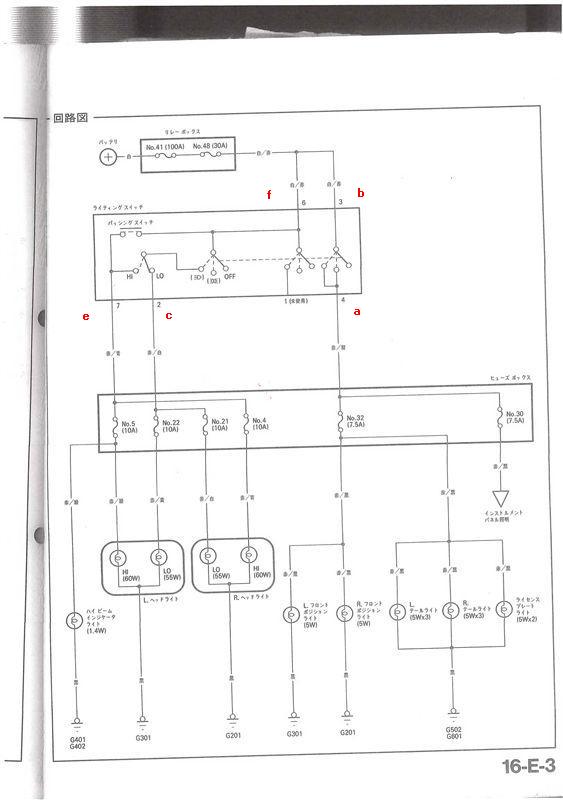
 ヘッドライトスイッチ配線図  岐阜のマックス  2014年9月1日(月) 9:51 修正
検証はステップW、型式RA1の物ですが導線は同じだと思われます。
スモール入力はbから入力で出力はaからとなります。
ヘッドライト入力はfから入力でロービーム出力はC、ハイビーム出力はeとなります。
dは空きとなっております。
これを上手く使うと追加ライトを面白く出来そうです。
配線を組替えてスモール配線をヘッド側にして、ヘッド側を追加フォグランプにしたらレバーも有効に使えそう。

 ヘッドライトスイッチ配線図の写真  岐阜のマックス  2014年11月30日(日) 17:27 修正
kazun141さんと私の写真の復元です。

 クリアウィンカーレンズ  RIO  2014年9月1日(月) 9:54
修正
テールも同じだと思います

DX用クリアウィンカーレンズ

アウトスタンディングモーターサイクル
http://out-standing.com/cart051006_cubpage005_winker_taillens.htm

4個1,300円

   RIO  2014年9月1日(月) 9:54 修正
関連パーツとして
オレンジバルブです
2個組みもあります
私の感覚としてはココが最安だと思うのですが……

12V23W ウィンカー球(G18シングル) オレンジ

株式会社ヒロチー商事
http://store.shopping.yahoo.co.jp/hirochi/12v23wg18-or.html

1個28円

   RIO  2014年9月1日(月) 9:54 修正
クリアウィンカーレンズですが
最近「黄ばみ」が目立ち始めました
とても安いのですが海外製品なのでしょう
品質が良く有りませんので「国産品」に交換する事にしました
悪い情報提供で申し訳有りませんm(_ _)m

 ワイパーゴム 替えゴム ワイパーブレード  monte  2014年9月1日(月) 9:53
修正
いつもお世話になっておりますモンテです。MC-1用にワイパーゴムをD-speedの掲示板で検索していてウッチーさんの記事にマルエヌ�が作っているというのでまだあるのかな〜と問い合わせをしたら

この度は、お問合せ頂きましてありがとうございます。
NB0740Dの替えゴムですが、F45(汎用カットタイプ)となります。

●F45 価格⇒@700(税込)
●送料⇒全国一律\500(替えゴムの場合)
●支払方法⇒佐川急便商品代引き(代引き手数料は弊社負担)
●在庫⇒あり

※因みに、F45替えゴムの交換をする場合は難しいので、年数を重ねているワイパーブレードの場合は、
 ブレード毎の交換をお薦めいたします。

ご参考
●NB0740Dの価格⇒@1,400((税込)
   (ワイパーブレードの場合⇒送料・代引き手数料無料)

以上、ご検討宜しくお願い申し上げます。

ウッチーさんの情報に感謝します〜

こんな感じでよろしいでしょうか?

   YAT  2014年9月1日(月) 9:53 修正
monteさん ありがとうございます。

流用というか純正品そのものらしいですがw
せっかくウッチーさんが調べて下さっていたので有効に情報を使わないと
もったいないですからね。

 アビーのドアラッチ  らぴゅ太  2014年9月1日(月) 9:49
修正
うちのアビーに使おうとヤフオクで入手したドアラッチです。

溶接されているカラーが若干長いので、削って調整して取り付ける予定です。

『タキゲン C-168』の刻印があったので検索したら、これ→http://www.takigen.co.jp/jp/contents/eyesearch/detail.do?id=22010590100にカラーを溶接した物の様ですね〜。

 MC−1のバックミラー  らぴゅ太  2014年9月1日(月) 9:48
修正
うちのMC−1に付けているのは、ホンダのフュージョン用です。

幌を付けても後方視界を確保できます。

個体差があるかもしれませんが、取り付け穴を開け直すことなくポン付けできました!

 エンジン、足回り用ベアリング・オイルシール  奈良の大ちゃん  2014年9月1日(月) 9:47
修正
エンジンと足回りに使用するNTN製の補修用のベアリング品番です。

写真左が足回り用のベアリングで、両面シールタイプになります。

写真右がエンジン内で赤字がベアリング、青字がオイルシール(EU型)で写真内右側が進行方向となり、右側1組がクランクシャフト用、左側3組がミッション・デフ用となります。

ベアリング・オイルシールは機械工具店、ホームセンター、モノタロウ、その他通販で入手できますが、オイルシールの20*31*7と15*25.5*7は耐圧力性の高い物が必要で入手が難しいのでホンダの2ストジャイロ用を購入しています。
20*31*7 ホンダ ジャイロキャノピー 91202-KBN-922
15*25.5*7 ホンダ ジャイロキャノピー 91201-GW2-000

 K-2用フロントクリアウィンカーレンズ  RIO  RIO  2014年9月1日(月) 9:46
修正
「トラック用品 ジェットマーカー レンズ 中サイズ」

クリアだけで無く、他のカラーも有りますが
あんまし用は無いかな?(笑)

ウィンカーレンズでは無くてマーカーランプですので
レンズカットがイマイチでして
クリアレンズ化すると少々視認性が劣るような気がします

トラックショップJET
http://store.shopping.yahoo.co.jp/jetkashiwa/jetmark-m-renzu.html

1個180円

こちらはベース込み(要加工になります)
http://store.shopping.yahoo.co.jp/jetkashiwa/jetmark-m.html

1個780円

1 2 3 4  過去ログ全 69件 [管理]
CGI-design